鼓形齿式联轴器

  十字滑块联轴器

  弹性柱销联轴器

  弹性柱销齿式联轴器

  弹性套柱销联轴器

  齿式联轴器

  膜片联轴器

  滚子链联轴器

  轮胎式联轴器

  星形弹性联轴器

  万向联轴器

  蛇形弹簧联轴器

  凸缘联轴器

  梅花形弹性联轴器

  H形弹性块联轴器

  QL型滚珠联轴器

  MAL摩擦安全联轴器

  PLG型平行轴联轴器

  定扭矩联轴器

 

安恕朗盛机械

  电话:0318-6176965
     0318-6176988
 

  传真:0318-6176966

  网站:www.wtlzq.com
  邮编:053200
万向联轴器
swc系列万向联轴器
SWC联轴器
SWC联轴器
SWC联轴器
SWC联轴器
SWC联轴器
     
BF系列标准伸缩法兰式万向联轴器基本参数和主要尺寸
BH系列标准伸缩法兰式万向联轴器基本参数和主要尺寸
CH系列短伸缩焊接式万向联轴器基本参数和主要尺寸
DH系列短伸缩焊接式万向联轴器基本参数和主要尺寸
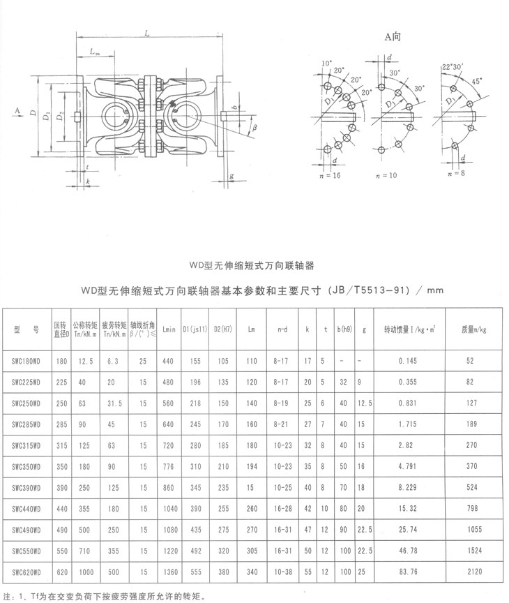
WD系列无伸缩短式万向联轴器基本参数和主要尺寸
WF系列无伸缩短式万向联轴器基本参数和主要尺寸
WH系列无伸缩短式万向联轴器基本参数和主要尺寸
swp系列万向联轴器
SWP联轴器
SWP联轴器
A型有伸缩长型万向联轴器基本参数和主要尺寸
B型有伸缩短型万向联轴器基本参数和主要尺寸
C型无伸缩短型万向联轴器基本参数和主要尺寸
D型无伸缩长型万向联轴器基本参数和主要尺寸
E型有伸缩双法兰长型万向联轴器基本参数和主要尺寸
F型大伸缩长型万向联轴器基本参数和主要尺寸
G型有伸缩超短型万向联轴器基本参数和主要尺寸
 
版权所有:河北安恕朗盛机械科技有限公司 地址:河北省衡水市冀州区建设南大街868号 电话:0318-6176965 0318-6176966 
传真:0318-6176966
 网址:http://www.wtlzq.com 邮箱: jizhouwantong@126.com 邮编:053200 冀ICP备12003212号-1